Напольный доводчик TITAN T-84D
Описание доводчика T-84D:
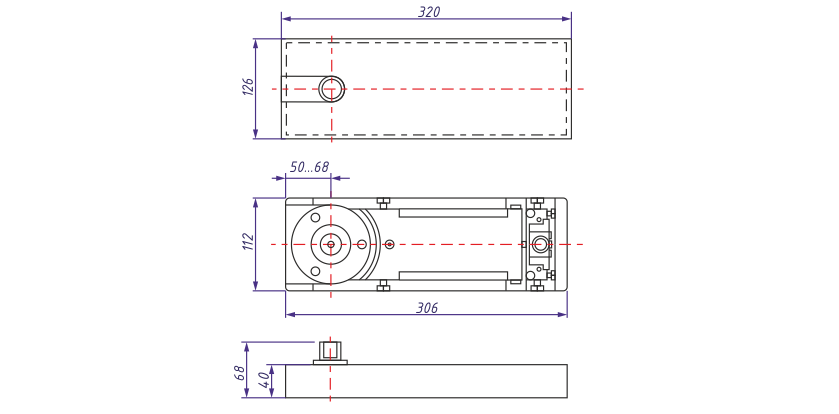
Доводчик напольный скрытый T-84D PSS используется для скрытого монтажа в полу. Подходит для открывания и закрывания стеклянных дверей, когда важно обеспечить не только целостность дверного полотна, но и гарантировать бесшумность и стабильную скорость закрытия дверей. Благодаря наличию особого амортизирующего механизма данный доводчик плавно и бесшумно закрывает любые стеклянные двери, гарантируя отсутствие вероятности разбиться стеклу.
В качестве отделки доводчика T-84D PSS используется нержавеющая сталь с полированной поверхностью.
EN 4…5 (рекомендуемая ширина двери от 850 до 1150 мм, вес двери до 90 кг);
Наибольший угол открывания 116°; 2-х диапазонное регулирование скорости;
При установке доводчика на деревянные, алюминиевые и стальные двери, необходимо использовать верхнюю маятниковую петлю T089A и нижний рычаг T089B, которые докупаются отдельно. Зазор между дверью и полом 10-12 мм 3 вида доводчиков: с фиксацией на 90° без фиксации с повернутым шпинделем без фиксации
Диапазон рабочих температур: -30°С — +45°С
Количество рабочих циклов: 500 000 циклов.
